Description
POWDER PACKAGING MACHINES
SCOPE OF OFFER: – For 4 kinds of powder filling, Free-flow and non-free flow product
SPC: 1kg to 30kg powder filling
QUOTATION
| No |
Item |
Model No |
QTY |
Unit Price |
Total |
| 1 |
Hoist Unloader |
Without Hoist |
1 |
|
|
| With Machine |
1-1.Bag Clamp |
|
1 |
|
|
| 1-2.Pneumatics Extrusion |
|
1 |
|
|
| 1-3.Supporting Frame |
|
1 |
|
|
| 1-4.Discharging Connector |
SUS304 |
1 |
|
|
| 1-5.Control |
|
1 |
|
|
| Optional |
1-6.Bag Squeeze |
|
2 |
|
|
| 1-7.Dust Collection for the hoist unloader and auger |
DC 2.2A |
1 |
|
|
| 2 |
Lamp crusher |
|
1 |
|
|
| 3 |
Horizontal Auger Conveyor |
EAC-168-500 |
1 |
|
|
| With machine |
Hopper |
50L Hopper |
1 |
|
|
| 4 |
Weighing Auger Filling Machine |
INAF-550W |
1 |
|
|
| With machine |
4-1.Auger Tooling |
#12 For Dosing range 1kg |
1 |
|
|
| 4-2.Horizontal (Half Hinged Open Hopper) |
80L |
1 |
|
|
| 4-3.Bag Clamp with load cell |
For bag: W400-600mm |
1 |
|
|
| Optional
|
4-4.Auger Tooling |
#13 For filling 2kg |
1 |
|
|
| 4-5.Auger Tooling |
#15 For filling 3kg to 30kg |
1 |
|
|
| 4-6.Pressure model Screw |
For the non-free flow product |
3 |
|
|
| 4-7.Closure |
For free flow product |
1 |
|
|
| 4-8.Spinner |
For small dosing weight |
2 |
|
|
| 4-9.Siemens PLC & HMI |
PLC:S7-1200
HMI:TP-700 |
1 |
|
|
| 4-10.Extra Bag Clamp |
For different size bag:W340-420mm |
1 |
|
|
| 4-11.Pneumatic bag support device |
V Shape |
1 |
|
|
|
| EQUIPMENT INSTALLED AND START UP AT CUSTOMER’S PREMISES |
| PACKING & DELIVERY TO SITE (ex-works Pretoria) FAT-for buyers account |
– |
– |
| PROJECT MANAGEMENT -INSTALLATION, COMMISSIONING, TRAINING |
|
|
| TOTAL including optional parts and installation |
|


TECHNICAL PARAMETER:
| No |
Technical Parameter |
Picture |
| 1 |
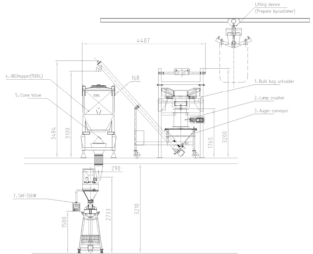
Bulk Bag Unloader
◇Model No.: BBU-A without hoist
◇Max Bag Size: 1200L*1200W*1100H
◇Frame Material: Stainless Steel 304
◇Hoist Railway Material: Stainless Steel 304
◇Voltage: single phase 220V 50Hz
◇Power: DC 24v
◇Tray Material: Stainless Steel 304
◇Broken Arch Model: pneumatic spring extrusion
◇Machine Weight:450Kg |
(Without hoist)
Picture Just for reference |
| 1-2 |
Pneumatics Extrusion
◇It can avoid material dropping down in a sudden when worker is untying the bag
◇If do not want the material to be discharge at one time, the valve can control it. |
 |
| 1-6 |
Bag Squeeze
|
 |
| 1-7 |
Dust Collector
◇Air Consumption:750-1050m³/h
◇Air Pressure:940-690pa
◇Power:2200W
◇Max Noise:60dB
◇Dust Efficiency:99.9%
◇Machine Measurement:540L*560W*1500Hmm
◇Weight:102KG |
 |
| 2 |
Lump crusher
◇Model: LC-400
◇Production capacity (KG/H):500-800
◇Feed particle size (mm) :≤50
◇Moving knife blade : 22
◇Crushing motor (KW) 5.5 Weight (KG): 200
◇Structure One-piece structure, the pipe flange adopts quick-fit type |
 |
| 3 |
Horizontal Auger Conveyor
◇Model No: EAC-168-500
◇Discharge Distance: 500mm
◇Voltage: single-phase 220V 50Hz
◇Feeding Motor Power: 1.5KW Nord
◇Hopper: 50L
◇Material: SUS304 |
 |
| 4 |
Weighing Auger Filling Machine
◇Model No: INAF-550W
◇Dosing Method: auger dosing
◇Packing Weight:5-25kg(Different packing size need change dosing auger)
◇Accuracy:±30g
◇Packing Speed: 10kg—-2bags/min, 25kg—-1 bags/min.(depend on filling material ,the smaller packing weight,the faster speed,)
◇Voltage: Three-phase 380V 50Hz 6.2KW
◇Compress Air:5-6Kg/cm²
◇Material : stainless steel 304
◇Hopper Volume: 80L (half Hinged-opening)
◇Machine Weight:800Kg
◇Machine Size: 1372L*1095W*3000Hmm
Main Components
*Servo Motor: Panasonic
*PLC:SIEMENS
*Weighing System: SCAIME
*Cylinder: Japan “SMC”
*converter: Schneider
*Level Sensor: Baumer |
 |
| 4-4 |
Auger tooling |
 |
| 4-5 |
Pressure Model Screw |
 |
| 4-7 |
Closure |
 |
| 4-8 |
Spinner |
 |
| 4-10 |
Extra Bag Clamp |
 |
| 4-11
|
V Shape Bag Supporter |
 |

Reviews
There are no reviews yet.